Function Simplification
Why?
- fewer logic gates
- cheaper, less power, faster
Techniques
- Algebraic
- Karnaugh Maps
- Quine-McCluskey
Algebric Simplification
Aim
Minimise
- number of literals (priority)
- number of terms
Example 1

Example 2

Half Adder
- circuit that adds 2 single bits (X, Y) to produce a result of 2 bits (C, S).
 
- In canonical form (sum of minterms):
- 
- OR S can be thought of as the exclusive OR operation
 
 
Gray Code/ Reflected binary code
- Unweighted
- Only a single bit change from one code value to the next
- n bits → values
- Good for error detection
 Generating a 4-bit standard Gray code sequence Generating a 4-bit standard Gray code sequence
- The “reflection” technique
 
K-Maps
Introduction
- Systematic method to obtain simplified sum-of-products (SOP) expression
Layouts of 2-Variable (a, b) k-map:
 or you can use
or you can use
- 1 for a / b
- 0 for a’ / b’
Layouts of 3-Variable K-Maps

- There is a wrap around
  - neighbour of m0 = m1, m2, m4
 
- In general: every n-variable k-map has n adjacent neighbour
Layouts of 4-variable K-Map

- wrap around works here!
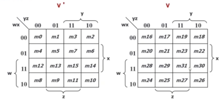
Layout of 5-variable K-Map
- organised as two 4-variable K-maps
- one for v and another one for v’
 
- Wrap around also applies here
- Neighbours of m0 = m1, m4, m2, m8 and m16
- This is because m0 and m16 differ by v’/ v (1 literal)
 
Larger K-Maps
- four 4-variable k-map
 
- it becomes increasingly complex to look for neighbours
How to use the K-Map?
Recall Unifying Theorem:
- In a K-map, each cell containing a ‘1’ corresponds to a minterm of a given function F where the output is 1.
- Each valid grouping of adjacent cells containing ‘1’ then corresponds to a simpler product term of F
- A group must have size in powers of two: 1, 2, 4, 8
- In general, grouping cells eliminates n variables
 
- Group as many cells as possible
- Select as few groups as possible to cover all the cells (minterms) of the function
 
Converting to Minterms Form
Given a boolean function, you can convert into minterm form following this two steps
- Convert to sum of product form
- Apply to K-Map
Simpliest SOP Expression from K-Map
Need to obtain
- Minimum number of literals per product term
- Minimum number of product terms
Achieved using
- Bigger groupings of minterms (prime implicants) where possible
- No redundant groupings (look for essential prime implicants)
Keyword
implicant: any combination of variables that accounts for one or more minterms of the function
Prime Implicant: A fully combined implicant, meaning it cannot be combine with another to further eliminate variables
Essential Prime Implicant: A prime implicant that includes at least one minterm that is not covered by any other prime implicant
Positive/ Negative examples of prime implicant:

Find Simplifed SOP from K-Map
Algorithm
- Circle all prime implicants on the K-Map
- Identify and select all essential prime implicants for the cover.
- Select a minimum subset of the remaining prime implicants to complete the cover, that is, to cover those minterms not covered by the essential prime implicants
Find Simplified POS from K-Map
Instead of grouping the minterms, you group the maxterms (i.e. the 0s)

- Note that complementing SOP will give POS
Don’t-Care Conditions

You may treat “don’t cares” as 1 or 0s in K-Maps

- can lead to shorter expressions